首页
|
关于我们
|
产品展示
高岛仪表
FLONLINE氟树脂产品
NASCO多路接头
鹿岛化学轴承
新闻资讯
|
服务支持
服务范围
资料下载
|
联系我们
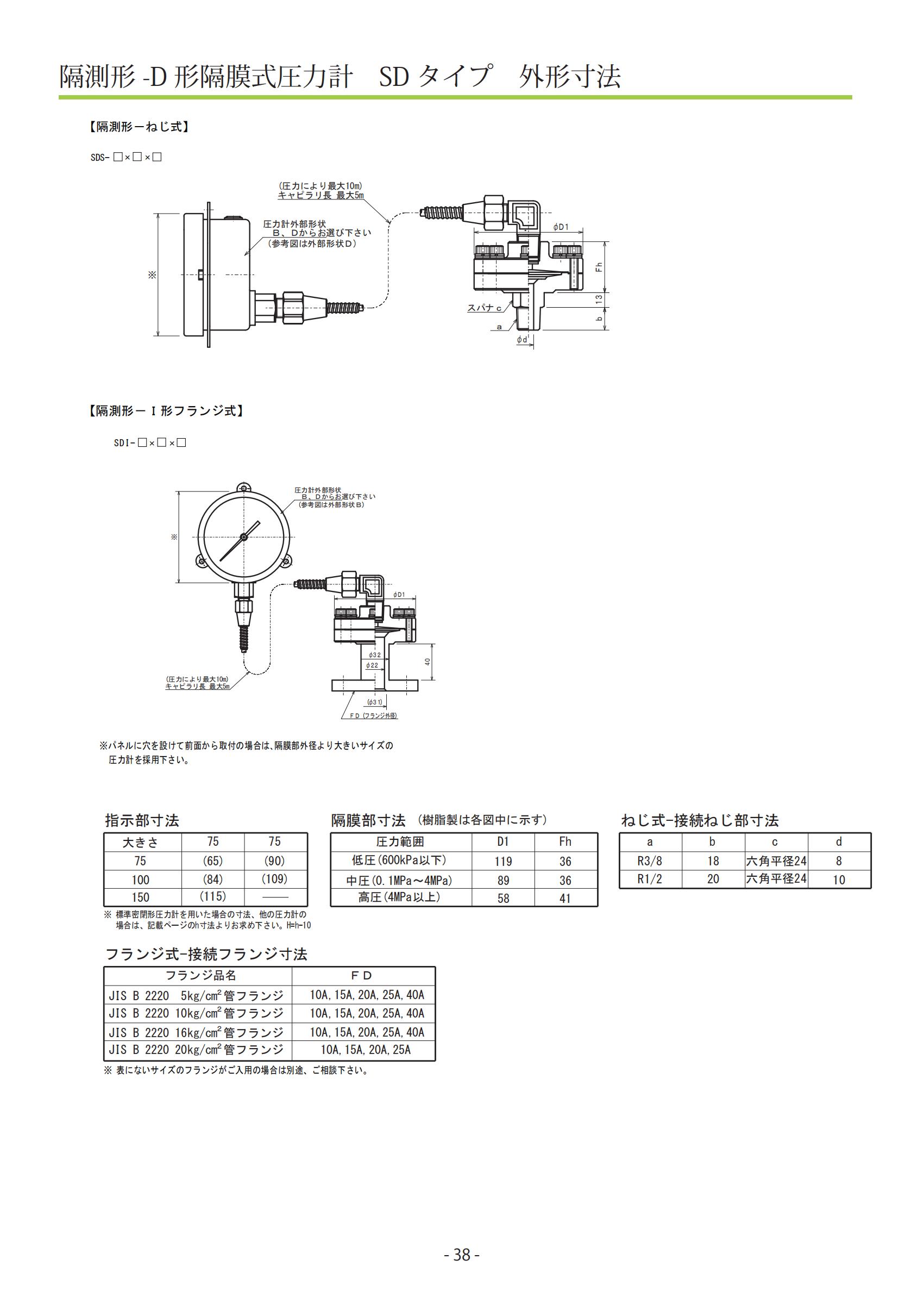
隔测型D型隔测式压力表
微信
新浪微博
QQ
QQ空间
豆瓣网
百度贴吧
■ 圧力計内に直接測定流体が入らないように隔膜を設置。
■ 化学工場、食品工場等の腐食性流体、高粘度流体の測定用。
■ 隔測形として受圧部と指示部を離すことが可能。
■ 全種禁油処理を実施。
产品详情
上海由升聚实业有限公司
首页
关于我们
产品展示
新闻资讯
服务范围
联系我们
联系电话:021-52198688 联系邮箱:wen@ysj-int.com 联系地址:中国上海市长宁区金钟路658-18-608